EPD-IES-0028883:002
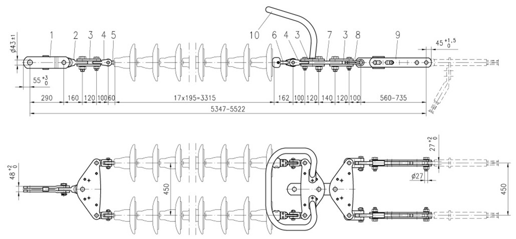
Tension string for twin conductor bundle 2S30 Duplex
Tension insulators string produced by Mosdorfer AK22H0621 (2S30-Duplex) is used as a part of transmission lines in power networks being part of the transmission line which helps transmit power over long distances. The Conductor which transmits the power is connected in between the towers using insulator strings.
Mass of the product is approx. 150kg (metal parts only without insulators), max height is 5522 mm and max width is 450 mm. More detailed technical information can be found at manufacturer website https://www.mosdorfer.com/produkte/transmission/
New
| Registration number | EPD-IES-0028883:002 |
|---|---|
| Status | Valid |
| Version date | 2026-03-06 |
| Validity date | 2031-03-05 |
| PCR | 2019:14 Construction products (EN 15804+A2) (version 2.0.1) 2.0.1 |
| Standards conformance | ISO 14025:2006, EN 15804:2012+A2:2019/AC:2021 |
| Geographical scope | Europe |
| LCA Practitioners | anna.carstens@brandsandvalues.com, brands & values GmbH |